Компания
Мехтехника
Тел.: 8 (800) 505-36-88

Устройства плавного пуска серии 3RW40 Siemens, Германия

Устройства плавного пуска серии 3RW40 Siemens, Германия

Устройства плавного пуска (сокращенно – УПП) SIRIUS 3RW40 обладают тем же набором качеств и преимуществ, которые характерны 3RW30/31. Тем не менее, 3RW40 имеют набор функций, которые можно отнести к разряду уникальных в представленном диапазоне мощностей: высокоэффективная полупроводниковая защита от перегрузки электродвигателя, и проверенная в ходе многочисленных исследований встроенная защита УПП, возможность регулировки токовых ограничений и двухфазный метод управления (баланс полярности). УПП серии SIRIUS 3RW40 выступают весомой составляющей модульной системы SIRIUS. То есть оборудование характеризуется идентичными размерами и схемами подключения. Нельзя не отметить компактность устройств - SIRIUS 3RW40 в 2 раза меньше представителей оборудования «звезда-треугольник», они занимают меньше места в ШУК. В качестве дополнительных возможностей рассматривается функция защиты тиристоров от риска КЗ предохранителями SITOR. Предусмотрена возможность регулирования и настройки ограничения тока, в результате чего обеспечивается высоконадежная защита двигателя от риска внезапного скачка силы тока.

Цена: от 11 740 руб.

3RW40 – Руководство для выбора.pdf (1,4 Мб)

Достоинства и преимущества УПП серии 3RW40 Siemens

  • Сверхкомпактный размер, предельная простота использования
  • Интуитивно понятный монтаж и последующее обслуживание
  • Высокоэффективная полупроводниковая защита от перегрузки и наличие внутренней защиты непосредственно устройства
  • Возможность настройки показателей ограничения тока
  • Встроенная шунтирующая контактная система, обеспечивающая минимизацию потерь энергии
  • Диапазон температур в пределах от -25°C до + 60°C

Общее описание

УПП мощностью до 250кВт (при 400В) адаптированы для выполнения задач стандартного применения в условиях сетей 3-фазного тока, обеспечивают плавность циклов пуска/остановки 3-фазных асинхронных электродвигателей. Устройства плавного пуска минимизируют риск токовых бросков и вращающего момента, часто возникающие в условиях применения устройств пуска по схеме «звезда-треугольник».

Рекомендовано использование для запуска:

Не рекомендуется запускать:

• Вентиляторы

• Насосы

• Строительные машины

• Прессы

• Эскалаторы

• Транспортеры

• Системы кондиционирования воздуха

• Сборочные линии

• Компрессоры и охладители

• Рабочие механизмы

• Мешалки

• Центрифуги

• Большие вентиляторы (дымососы)

• Фрезерные станки

• Дробилки

• Мельницы

• Пилы

• Лифты

• Для этих применений рекомендовано

• УПП серии Siemens 3RW44

Базовые функции УПП 3RW40:

  • В общей сложности, УПП SIRIUS 3RW40 характеризуются тем же набором качеств, что и устройства 3RW30/3. Но к спектру дополнительных возможностей стоит причислить некоторые интегрированные функции и двухфазный метод управления. Настройка напряжения при запуске устройства, времени циклов пуска и останова, а также ограничений тока выполняется посредством поворотных переключателей, аналогично SIRIUS 3RW30/31. Задать величины номинального тока электродвигателя, класс расцепления и опции сброса в условиях перегрузки электродвигателя, возможно с помощью тех же поворотных переключателей (аналогично реле перегрузки). Обобщая все вышеприведенное, отметим, что в УПП SIRIUS 3RW40 задействованы технологии, которые успешно прошли испытания на других сериях оборудования плавного пуска.
  • Устройство плавного пуска SIRIUS 3RW40 характеризуется спектром оптимальных функциональных сочетаний. Вмонтированная шунтирующая контактная система минимизирует потери энергии во время работы, то есть это позволяет составным элементам системы не повышать своей температуры (не перегреваться). Используя 4-шаговый поворотный переключатель,  регулируется время отключения при перегрузке.
  • Встроенная защита электродвигателя от перегрузки (по нормам IEC 60947-4-2), отпадает необходимость применения дополнительного реле перегрузки. Это замечание экономит место в ШУК и значительно упрощает монтаж фидера. Не меньшее значение имеет и факт того, что встроенная защита в УПП предотвращает перегрев тиристоров и последующее повреждение силового модуля.
  • Сегодня на рынке существуют также варианты УПП, оснащенные опцией подключения термистора, монтированного в мотор в целях защиты от перегрева.
  • За счет функции настраиваемого показателя ограничения тока, электродвигатель защищен от внезапного увеличения силы тока. Для мониторинга режима работы устройства используются три светодиода, с их же помощью происходит сигнализирование о возможных сбоях и ошибках, обрыва фазы, перегреве, неисправности УПП.

Ассортимент дополнительных принадлежностей к УПП:

  • Блоки рамочных зажимов
  • Оборудование для механического сброса и специальный модуль дистанционного сброса
  • Крышки, опечатывающие введенные настройки
  • Легкосъемные крышки, предотвращающие риск прикосновения к токоведущим частям
  • Вентиляторы, обеспечивающие дополнительный обдув

Основные технические характеристики УПП

Номинальный ток подключаемого электродвигателя, А

12,5 … 432

Номинальное напряжение электродвигателя, В

200 … 600

Мощность подключаемого электродвигателя, кВт

5,5 … 250

Время плавного разгона, сек

0 … 20

Время плавного торможения, сек

0 … 20

Уровень начального напряжения, % от номинального

40 … 100

Уровень ограничения пускового тока

1,3 … 5 x I ном

Напряжение управления, В

Габариты от S0 до S3: 24 V AC/DC или 110 ... 230 V AC/DC

Габариты от S6 до S12: 115 V AC или 230 V AC

Светодиодная индикация

3 светодиода, сигнализация 14-ти состояний

Максимальная длина кабеля от УПП до мотора, м

300

Допустимая температура

эксплуатации: -25 … +60 град. Цельсия

хранения: -40 … +80 град. Цельсия

Защитные функции УПП

Защитные функции мотора

Срабатывание защиты происходит в случае:

Перегрузке электродвигателя

Класс отчески по перегрузке согласно IEC 60947-4-1

10/15/20

Дисбаланс тока по фазам, % от номинального

>40

Подключение термисторной защиты электродвигателя согласно IEC 60947-8, тип A/IEC 60947-5-1

 

Сброс после срабатывания защиты

Ручной/автоматический/удаленный

Время восстановления после срабатывания защиты, мин

5

Защитные функции УПП

Срабатывание защиты происходит в случае:

Температурного перегрева теристоров или шунтирующего байпаса

Сброс после срабатывания защиты

Ручной/автоматический/удаленный

Время восстановления после срабатывания защиты:

 

при перегрузке теристоров, сек

30

при перегрузке байпаса, сек

60

Органы управления УПП:

Органы управления УПП

Описание кодов для заказа

Мощность электродвигателя

Рн, кВт, Uпит=380 В, 3Ф

Ток номинальный, А

Код устройства

Масса, кг

Двигателя

УПП

5,5

10.4

12,5

3RW4024-1BB14

0,8

7,5

13.8

25

3RW4026-1BB14

0,8

11

20.0

15

26.5

32

3RW4027-1BB14

0,8

18,5

32.0

38

3RW4028-1BB14

0,8

22

40.5

45

3RW4036-1BB14

1,4

30

54.0

63

3RW4037-1BB14

1,4

37

65.0

72

3RW4038-1BB14

1,4

45

79.0

80

3RW4046-1BB14

1,9

55

96.0

106

3RW4047-1BB14

1,9

75

130

134

3RW4055-6BB44

5

90

154

162

3RW4056-6BB44

7

110

190

230

3RW4073-6BB44

9

132

225

160

265

280

3RW4074-6BB44

9

200

325

356

3RW4075-6BB44

5

250

415

432

3RW4076-6BB44

7

Примечания:

1. Коды для заказа указаны для УПП, которые будут использоваться при температуре не выше 40°С. Если температура окружающей среды находится в пределах от 40°С до 50°С, важно выбирать устройства плавного пуска  на один номинал старше. При 50°С - 60°С выбираются УПП на 2 номинала старше.

2. Коды для заказа указаны для УПП с напряжением управления 110-230 В AC/DC. При необходимости выбора УПП с другими показателями напряжения, обращайтесь к специалистам консультационного центра.

3. Для уточнения кодов заказа устройств плавного, предусматривающих наличие входа для подключения термисторной защиты или электродвигателей напряжением > 380В, обращайтесь к специалистам консультационного центра.

Внешний вид УПП

 Устройства плавного пуска серии 3RW40

 Устройства плавного пуска серии 3RW40

 Устройства плавного пуска серии 3RW40

 Устройства плавного пуска серии 3RW40

Устройства плавного пуска серии 3RW40

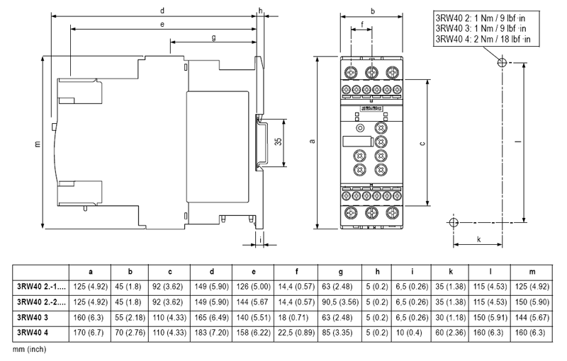
Габаритные и присоединительные размеры УПП

Габаритные и присоединительные размеры УПП

Габаритные и присоединительные размеры УПП