Компания
Мехтехника
Тел.: 8 (800) 505-36-88

Редукторы червячные одноступенчатые 2Ч-40, 2Ч-63, 2Ч-80

Редукторы червячные одноступенчатые 2Ч-40, 2Ч-63, 2Ч-80

Червячные одноступенчатые редукторы серии 2Ч-40, 2Ч-63, 2Ч-80 служат для изменения частоты вращения в сторону уменьшения и увеличения крутящего момента.  Редукторы могут иметь передаточные числа от 8 до 80 и передавать момент от 27 до 230 Нм. Одинаковое расстояние между осями отверстий в приливах позволяет с помощью лап менять пространственное положение редуктора в соответствии с вариантами расположения червячной пары. Редукторы применяются с лапами и без лап. Выходные концы червячных валов цилиндрические. Редукторы могут работать при шести различных расположениях червячной пары в пространстве. В зависимости от взаимного расположения выходных концов валов редукторы изготовляются по вариантам сборки 51, 52, 53 и 56 в соответствии с ГОСТ 20373—74. Температура масла в корпусе редуктора допускается не более 95 °С. Во избежание течи масла посадочные места крышек подшипников в редукторах 2Ч-40, 2Ч-63, 2Ч-80 уплотнены кольцами (ГОСТ 9833—73). 

Цена: от 5 580 руб.

Скачать прайс: xls zip

УСЛОВИЯ ПРИМЕНЕНИЯ РЕДУКТОРОВ:

  • нагрузка постоянная и переменная, одного направления и реверсивная;
  • работа с периодическими остановками и длительная до 24 часов в сутки;
  • вращение валов в любую сторону;
  • частота вращения входного вала не более 1800 об/мин;
  • атмосфера типа I и II по ГОСТ 15150-69 при запыленности воздуха не более 10 мг/м3 ;
  • климатические исполнения У,Т для категорий размещения 1-3 и климатические исполнения УХЛ и О для категорий размещения 4 по ГОСТ 15150-69.

Общее описание:

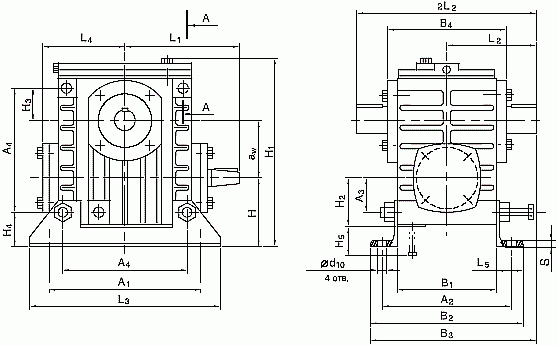
Габаритные и присоединительные размеры 2Ч-40, 2Ч-63, 2Ч-80

РИС 1.
Габаритные и присоединительные размеры

Типоразмер редуктора aw A1 A2 A3 A4 B1 B2 B3 B4 H H1 H2 H3 H4
2Ч40 40 150 140 35 105 100 164 182 120 72 180 55 30 37
2Ч63 63 180 165 42 150 125 197 219 145 82 225 59 45 40
2Ч80 80 225 185 50 180 140 212 250 165 92 267 75 50 42

Типоразмер редуктора H5 L1 L2 L3 L4 L5 b1 b2 d1 d2 d3 d4
2Ч40 115 100 90 180 75 32 3 6 16 18 14,6 М5
2Ч63 155 145 120 220 100 36 4 8 22 28 20,2 М8
2Ч80 190 160 145 260 120 36 5 10 25 35 22,9 М8

Типоразмер редуктора d5 d6 d7 d8 d9 d10 h1 h2 l1 l2 l3 l4 l5 l6
2Ч40 М5 10,5 16 23 60 13 3 6 28 28 15 15 8 72
2Ч63 М8 10,5 16 33 70 13 4 7 36 42 20 20 8 68
2Ч80 М8 12,5 18 41 90 15 5 8 42 58 20 20 8 64

Типоразмер редуктора l7 l8 s t1 t2 эвольвентные шлицы ГОСТ 6033-80 объем масла,л масса,кг
2Ч40 20 112 4 1,8 14,5 22х1,5х7Н 0,18…0,3 6,7
2Ч63 20 108 5 2,5 24 32х1,5х8Н 0,3…0,7 13,1
2Ч80 26 116 5 3 30 40х1,5х8Н 0,5…1,0 18,6

Входной вал 2Ч-40, 2Ч-63, 2Ч-80

РИС 2. Входной вал

Выходной вал 2Ч-40, 2Ч-63, 2Ч-80

РИС 3. Выходной вал

Варианты сборки редукторов 2Ч-40, 2Ч-63, 2Ч-80

РИС 4. Варианты сборки редукторов

Варианты расположения червячной пары 2Ч-40, 2Ч-63, 2Ч-80

РИС 5. Варианты расположения червячной пары

Варианты расположения лап по плоскости 2Ч-40, 2Ч-63, 2Ч-80

РИС 6.
Варианты расположения лап по плоскост

Технические характеристики редуктора червячного 2Ч-40, 2Ч-63, 2Ч-80

U ном. 2Ч-40 2Ч-63 2Ч-80
U фак. 1500 об/мин. U фак. 1500 об/мин. U фак. 1500 об/мин.
Мт Н.м η Мт Н.м η Мт Н.м η
8 7,75 28 0,87 7,75 105 0,89 7,75 210 0,90
10 9,75 28 0,85 9,75 100 0,88 10 190 0,89
12,5 12,25 26 0,83 12,75 93 0,88 12,25 200 0,88
16 15,5 28 0,81 15,5 110 0,84 15,5 210 0,85
20 19,5 28 0,76 19,5 104 0,83 20 210 0,83
25 24,5 26 0,73 25,5 95 0,81 25,5 210 0,82
31,5 31 32 0,70 31 116 0,74 31 260 0,77
40 39 29 0,63 39 110 0,73 39 240 0,72
50 49 28 0,60 51 100 0,68 51 240 0,71
63 64 26 0,58 63 93 0,62 64 200 0,64
80 - - - 83 83 0,60 83 170 0,61

Пример условного обозначения при заказе:

Редуктор 2Ч-80-31,5-56-2-У2 С, где:

  • - тип редуктора
  • 80 - межосевое расстояние
  • 31,5 - номинальное передаточное число
  • 56 - исполнение по варианту сборки по ГОСТ 20373-80
  • 2 - исполнение по схеме расположения червячной пары
  • У2 - исполнение для умеренного климата, категории размещения 2 по ГОСТ 15150-69
  • С - индекс, определяющий наличие смазки "Трансол-200" в редукторе