Компания
Мехтехника
Тел.: 8 (800) 505-36-88

Опции к червячным мотор-редукторам

Опции к червячным мотор-редукторам

Часто специфика того или иного процесса предполагает не только необходимость купить мотор редуктор, но и внедрить дополнительные опции к нему. К дополнительным опциям можно отнести такие механизмы, как вариаторы и цилиндрические ступени, совместимые с IEC двигателями. Все оборудование проходит строгий выходной контроль качества, в котором принимают участие не только высококвалифицированные специалисты, но и продукты программного обеспечения.

Цена: по запросу заказчика

Опции к мотор-редукторам

Опции к мотор-редукторам

Вариаторная приставка UD

Вариаторная приставка UD

Технические характеристики

n1 = 2800 об/мин

Мощность

Тип

Передаточное отношение

Минимальные обороты

Максимальные обороты

Максимальный момент

Минимальный момент

0.25

UDL002

0.129-0.645

361

1806

2.9

1.1

0.37

1.6

0.55

UDL005

0.143-0.714

400

2000

5.9

2.2

0.75

3.0

1.1

UDL010

0.143-0.714

400

2000

11.9

4.4

1.5

6.0

n1 = 1400 об/мин

0.12

UDL002

0.129-0.645

181

903

2.9

1.1

0.18

1.6

0.25

UDL005

0.143-0.714

200

1000

5.9

2.2

0.37

3.0

0.55

UDL010

0.143-0.714

200

1000

11.9

4.4

0.75

6.0

1.1

UDT020

0.143-0.714

200

1000

24.0

8.8

1.5

12.0

2.2

UDT030S

0.143-0.714

200

1000

36.0

17.9

3

UDT030L

0.143-0.714

200

1000

64.0

24.0

4

32.0

5.5

UDT050S

0.143-0.714

200

1000

90.1

44.9

7.5

UDT050L

0.143-0.714

200

1000

118.1

59.0

n1 = 900 об/мин

0.18

UDL005

0.143-0.714

129

643

5.9

2.2

0.25

3.0

0.37

UDL010

0.143-0.714

129

643

11.9

4.4

0.55

6.8

0.75

UDT020

0.143-0.714

129

643

24.0

8.8

1.1

13.0

1.5

UDT030S

0.143-0.714

129

643

36.0

17.9

2.2

UDT030L

0.143-0.714

129

643

64.0

26.4

5.5

UDT050L

0.143-0.714

129

643

118.1

61.0

UDL-алюминиевый корпус
UDT-чугунный корпус

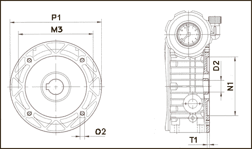
Присоединительные размеры

Присоединительные размеры мотор-редукторов

 

РАМ IEC

Р1

N1(H8)

МЗ

О2

D2(F7)

Т1

UDL002

63В5

140

95

115

М8

11

5

UDL005

71В5

160

110

130

М8

14

5

UDL010

80В5

200

130

165

М10

19

6

90В5

200

130

165

М10

24

6

UDT020

90В5

200

130

165

М10

24

6

UDT030S

100В5

250

180

215

М12

28

6

UDT030L

100/112В5

UDT050S

132В5

300

230

265

М12

38

6

UDT050L

Присоединительные размеры мотор редукторов

Тип

B

C

C1

D(j6)

E

G

G3

H

M

M1

N

O

O1

P

T

KA

KB

KC

KD

KD1

KE

b

t

UDL002

23

50

46

11

70

112.5

64.5

72

115

60

95

9

M6

140

3.5

71

111

78

110

110

85

4

12.5

UDL005

30

40

53

14

80

110

74

90

130

77

110

9

M8

160

3.5

71

123

90

110

110

85

5

16

UDL010

40

58

60

19

100

139

85.5

98

165

84

130

11

M8

200

3.5

79

140

107

120

120

110

6

21.5

UDT020

50

-

-

24

126

188

115

241

165

-

130

11

-

200

3.5

-

144

122

150

-

110

8

27

UDT030S/L

60

-

-

28

150

208

131

270

215

-

180

15

-

250

4

-

188

150

160

-

110

8

31

UDT050S/L

70

-

-

28

200

244

131

-

265

-

230

19

-

300

5

-

-

192

194

-

110

10

41

Цилиндрическая ступень

Размеры фланцев цилиндрической ступени

PC

i

P2

P1

63

3

63B14/71B14

63B5

71

3.17

71B14/80B14

71B5

80

3

80B14/100B14

80B5

90

2.43

80B14/100B14

90B5