Компания
Мехтехника
Тел.: 8 (800) 505-36-88

Опции и объем заливаемого масла червячного мотор-редуктора NMRV

Опции и объем заливаемого масла червячного мотор-редуктора NMRV

Замена масла в редукторе, его объем основывается на таблицах, приведенных ниже на странице.

К общему описанию

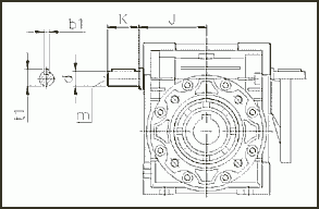
Исполнение

Двухсторонний входной вал

 

J

d(j6)

К

m

b1

t1

30

45

9

20

-

3

10.2

40

53

11

23

-

4

12.5

50

64

14

30

М6

5

16

63

75

19

40

М6

6

21.5

75

90

24

50

М8

8

27

90

108

24

50

М8

8

27

110

135

28

60

М10

8

31

130

155

30

80

М10

8

33

150

175

35

80

М12

10

38

Двухсторонний выходной вал

 

d(h6)

T

T1

L1

Z

Z1

m

b1

t1

30

14

30

32.5

63

102

128

M6

5

16

40

18

40

43

78

128

164

М6

6

20.5

50

25

50

53.5

92

153

199

М10

8

28

63

25

50

53.5

112

173

219

М10

8

28

75

28

60

63.5

120

192

247

М10

8

31

90

35

80

84.5

140

234

309

М12

10

38

110

42

80

84.5

155

249

324

М16

12

45

130

45

80

85

170

265

340

М16

14

48.5

150

50

82

87

200

295

374

M13

14

53,5

Реактивная штанга

 

L

Н

К

D

R

В

30

85

14

24

8

15

4

40

100

14

31.5

10

18

4

50

100

14

36.5

10

18

4

63

150

14

49

10

18

6

75

200

25

47.5

20

30

6

90

200

25

57.5

20

30

6

110

250

30

62

25

35

6

130

250

30

69

25

35

6

150

250

30

84

25

35

6

Параметры зацепления червячной пары

типо-размер

i

5

7.5

10

15

20

25

30

40

50

60

80

100

030

m

1.5

1.5

1.5

1.5

1

1.75

1.5

1

0.9

0.75

0.55

/

z1

6

4

3

2

2

1

1

1

1

1

1

/

y

29°3'

20°19'

15°31'

10°29"

5°42'

6°10'

5°17'

2°52'

3°26'

2°52'

1°58'

/

nd

0.874

0.856

0.829

0.782

0.673

0.700

0.667

0.520

0.567

0.520

0.422

/

ns

0.723

0.675

0.637

0.559

0.461

0.442

0.400

0.308

0.319

0.275

0.221

/

040

m

2

2

2

2

1.6

1.25

2

1.6

1.25

1

0.8

0.65

z1

6

4

3

2

2

2

1

1

1

1

1

1

y

30°58'

21°48'

16°42'

11°19'

11°19'

8°8'

5°43'

5°43'

4°5'

2°52'

2°52"

2°29'

nd

0.886

0.862

0.839

0.805

0.792

0.738

0.675

0.668

0.604

0.541

0.513

0.477

ns

0.737

0.703

0.661

0.589

0.559

0.502

0.434

0.411

0.351

0.284

0.276

0.243

050

m

2.5

2.5

2.5

2.5

2

1.6

2.5

2

1.6

1.25

1

0.8

z1

6

4

3

2

2

2

1

1

1

1

1

1

y

30°58'

21°48'

16°42'

11°19'

11°19'

9°5"

5°43'

5°43'

4°21'

2°52'

2°52'

2°17'

nd

0.887

0.874

0.852

0.808

0.805

0.771

0.711

0.693

0.634

0.532

0.530

0.483

ns

0.737

0.695

0.654

0.581

0.561

0.517

0.434

0.403

0.352

0.289

0.270

0.227

063

m

/

3.25

3.25

3.25

2.5

2

3.25

2.5

2

1.6

1.25

1

z1

/

4

3

2

2

2

1

1

1

1

1

1

y

/

24°31'

18°53'

12°51'

11°19'

8°45'

6°30'

5°43'

4°24'

3°3'

2°52'

2°12'

nd

/

0.880

0.870

0.830

0.820

0.780

0.740

0.716

0.660

0.571

0.562

0.486

ns

/

0.710

0.670

0.600

0.557

0.510

0.450

0.409

0.360

0.304

0.276

0.229

075

m

/

4

4

4

3

2.5

4

3

2.5

2

1.6

1.25

z1

/

4

3

2

2

2

1

1

1

1

1

1

y

/

28°4'

21°48'

14°56'

11°19'

11°19'

7°36'

5°43'

5°43'

3°49'

4°21'

2°52'

nd

/

0.912

0.904

0.876

0.850

0.848

0.810

0.770

0.769

0.695

0.719

0.626

ns

/

0.712

0.683

0.614

0.570

0.542

0.466

0.420

0.395

0.342

0.316

0.267

090

m

/

5

5

5

3.75

3

5

3.75

3

2.5

1.9

1.5

z1

/

4

3

2

2

2

1

1

1

1

1

1

y

/

33°41'

26°34'

18°26'

14°02'

11°19'

9°28'

7°08'

5°43'

4°46'

3°53'

2°52'

nd

/

0.905

0.898

0.873

0.849

0.824

0.804

0.765

0.727

0.690

0.638

0.572

ns

/

0.734

0.706

0.650

0.606

0.563

0.505

0.459

0.414

0.380

0.342

0.271

110

m

/

5.9

5.9

5.9

4.6

3.75

5.9

4.6

3.75

3.15

2.4

1.9

z1

/

4

3

2

2

2

1

1

1

1

1

1

y

/

28°46'

22°22'

15°21'

14°20'

14°02'

7°49'

7°17'

7°08'

5°48'

4°54'

3°37'

nd

/

0.901

0.891

0.862

0.848

0.851

0.793

0.776

0.768

0.729

0.692

0.628

ns

/

0.721

0.691

0.631

0.618

0.598

0.482

0.478

0.451

0.415

0.372

0.319

130

m

/

7

7

7

5.4

4.4

7

5.4

4.4

3.75

2.75

2.25

z1

/

4

3

2

2

2

1

1

1

1

1

1

y

/

29°15'

22°47'

15°39'

13°47'

12°24'

7°58'

7°00'

6°17'

6°7'

3°56'

3°41'

nd

/

0.911

0.891

0.872

0.860

0.845

0.803

0.779

0.758

0.749

0.671

0.657

ns

/

0.721

0.691

0.631

0.610

0.583

0.492

0.460

0.435

0.406

0.335

0.308

Объём заливаемого масла (л)

RV

030

040

050

063

075

090

110

130

150

B3

0.042

0.081

0.153

0.3

0.58

1.02

3.02

4.55

7

B8

2.25

3.35

5.1

B6,B7

2.55

3.55

5.4

V5,V6

3.02

4.55

7

К общему описанию